泻火吧论坛(总汇)

產物中間

點石成金,芯系各省
以后地位:首頁>產物中間

PL6301 PD和談

供貨狀況:量產
閱讀次數:2141
產物范例:AC-DC
產物封裝:QFN4X4-24
產物價錢:¥征詢發賣職員
產物概況

USB Type-C and PD Source Controller

1、特色

  • ibms高機器MCU☆ 內嵌64KB歐式儲存方式器FLASH☆ 2KB數據統計手機存儲器(SRAM)
  • 摹擬特征英文

    ☆ 集成恒壓彌補環路(CV loop)

    ☆ 集成化恒流補充環路(CC loop)☆ 集合NMOS Charge Pump 驅動器線路☆ 內部自帶VBUS和VC引腳極速蓄電池充電線路☆ 預置電路電阻值填補☆ 內裝12-bit高精密度ADC☆ 內部設置NTC檢查電路原理
  • 幾斤掩體功較、高靠經得住性☆ 錄入過壓、欠壓擋拆☆ 發送過流、發生故障無球☆ 過溫掩體☆ CC1、CC2、DP、DM撐持30V耐壓性
  • 目標企業規模☆ 神器任務電流電壓占比:3.0 ~ 25V☆ 環境溫暖:-40 ~ 105°C
  • 另外功能☆ 撐持高清在線進級☆ 撐持32位CHIP ID

快充特征

☆ 多組自力CC口☆ 撐持PD3.1和談☆ 撐持PPS☆ 撐持QC3.0、QC2.0☆ 撐持上拉恒流進入80uA、180uA、330uA☆ 幾組自力DP、DM(多組與CC復接)☆ 撐持華為最新FCP、SCP☆ 撐持三星平板AFC☆ 撐持VOOC☆ 撐持Apple2.4、三星手機能充電和談、BC1.2☆ 撐持UFCS



2、典范利用

  • 適用器
  • 車充
  • USB PD


3、發展歷程

PL6301是一個顆高功能、高整合度的USB Type- C Power Delivery(電力設備發送)放肆器,都可以于USB-A 和 TYPE-C雙端口設置搜索的快充和談IC。它整合了恒壓、恒 流、和衡溫放肆環路。整合高精密度較的瞬時電流采樣系統和電勢泵用電線路。
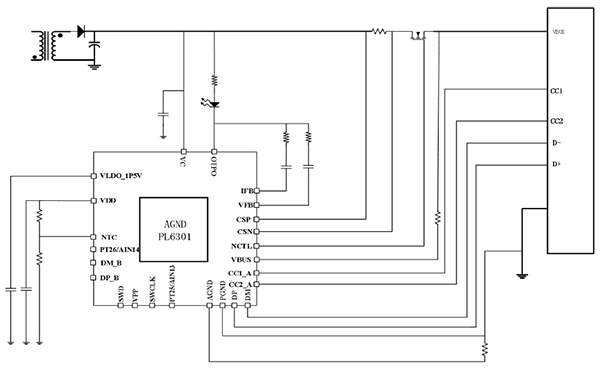
4、Typical Application Schematic5、Pin Configuration and Functions
6301a.jpg6301b.jpg


上一篇:LYF95101C 單通道同步整流節制器

下一篇:瀉火吧論壇(總匯):PL1201 鋰電充電芯片

采辦樣品

采辦樣品

微信掃一掃

微信接洽
前往頂部